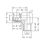
INCH OD Tubes x Male NPT Thread
| Model No. | T Tube OD | P NPT Male | A | B | C | D | E min. | F A/F | G A/F | Hx | Hy |
| GV-15-ME-1-1N | 1/16 | 1/16 | 19 | 9.6 | 10.9 | 8.6 | 1.3 | 11 | 11 | 15.3 | 17.8 |
| GV-15-ME-1-2N | 1/16 | 1/8 | 19 | 9.6 | 10.9 | 8.6 | 1.3 | 11 | 11 | 15.3 | 17.8 |
| GV-15-ME-2-2N | 1/8 | 1/8 | 23.6 | 9.6 | 15.3 | 12.7 | 2.4 | 12.7 | 11 | 17 | 17.8 |
| GV-15-ME-2-4N | 1/8 | 1/4 | 24.6 | 14.3 | 15.3 | 12.7 | 2.4 | 14 | 11 | 18 | 23.4 |
| GV-15-ME-4-2N | 1/4 | 1/8 | 26.9 | 9.6 | 17.8 | 5.3 | 4.8 | 14 | 14 | 19.6 | 18.8 |
| GV-15-ME-4-4N | 1/4 | 1/4 | 26.9 | 14.3 | 17.8 | 15.3 | 4.8 | 14 | 14 | 19.6 | 23.4 |
| GV-15-ME-4-6N | 1/4 | 3/8 | 29.7 | 14.3 | 17.8 | 15.3 | 4.8 | 19 | 14 | 22.4 | 26.2 |
| GV-15-ME-4-8N | 1/4 | 1/2 | 31.8 | 19.1 | 17.8 | 15.3 | 4.8 | 22 | 14 | 24.4 | 33 |
| GV-15-ME-5-4N | 5/16 | 1/4 | 28.7 | 9.6 | 18.5 | 16.3 | 6.3 | 14 | 16 | 21.3 | 24.4 |
| GV-15-ME-6-2N | 3/8 | 1/8 | 30.5 | 9.6 | 19.3 | 16.8 | 4.8 | 17 | 17 | 23.1 | 20.9 |
| GV-15-ME-6-4N | 3/8 | 1/4 | 30.5 | 14.3 | 19.3 | 16.8 | 7.1 | 17 | 17 | 23.1 | 25.4 |
| GV-15-ME-6-6N | 3/8 | 3/8 | 31.2 | 14.3 | 19.3 | 16.8 | 7.1 | 19 | 17 | 23.9 | 26.2 |
| GV-15-ME-6-8N | 3/8 | 1/2 | 33.3 | 19.1 | 19.3 | 16.8 | 7.1 | 22 | 17 | 25.9 | 33 |
| GV-15-ME-8-4N | 1/2 | 1/4 | 36 | 14.3 | 21.8 | 22.9 | 4.8 | 20.5 | 22 | 25.9 | 28.2 |
| GV-15-ME-8-6N | 1/2 | 3/8 | 36 | 14.3 | 21.8 | 22.9 | 9.6 | 20.5 | 22 | 25.9 | 28.2 |
| GV-15-ME-8-8N | 1/2 | 1/2 | 36 | 19.1 | 21.8 | 22.9 | 10.4 | 22 | 22 | 25.9 | 33 |
| GV-15-ME-8-12N | 1/2 | 3/4 | 39.9 | 19.1 | 21.8 | 22.9 | 10.4 | 27 | 22 | 29.7 | 36.8 |
| GV-15-ME-10-8N | 5/8 | 1/2 | 38.1 | 19.1 | 21.8 | 24.4 | 11.9 | 24 | 25 | 27.9 | 35 |
| GV-15-ME-12-8N | 3/4 | 1/2 | 39.9 | 19.1 | 21.8 | 24.4 | 11.9 | 27 | 28.5 | 29.7 | 36.8 |
| GV-15-ME-12-12N | 3/4 | 3/4 | 39.9 | 19.1 | 21.8 | 24.4 | 15.8 | 27 | 28.5 | 29.7 | 36.8 |
| GV-15-ME-14-12N | 7/8 | 3/4 | 44.7 | 19.1 | 21.8 | 25.9 | 15.8 | 27 | 32 | 34.5 | 41.6 |
| GV-15-ME-16-12N | 1 | 3/4 | 49 | 19.1 | 26.4 | 31.2 | 15.8 | 36 | 38 | 36.8 | 41.6 |
| GV-15-ME-16-16N | 1 | 1 | 49 | 23.8 | 26.4 | 31.2 | 22.3 | 36 | 38 | 36.8 | 46.5 |
| GV-15-ME-20-20N | 1.1/4 | 1.1/4 | 66.5 | 23.8 | 38.8 | 41.1 | 27.6 | 46 | 50 | 44.5 | 47.8 |
| GV-15-ME-24-24N | 1.1/2 | 1.1/2 | 78 | 26.2 | 45.2 | 50 | 34 | 55 | 57 | 50.8 | 60.4 |
| GV-15-ME-32-32N | 2 | 2 | 107.2 | 26.9 | 62.7 | 67.6 | 46 | 70 | 76 | 69.9 | 70.6 |
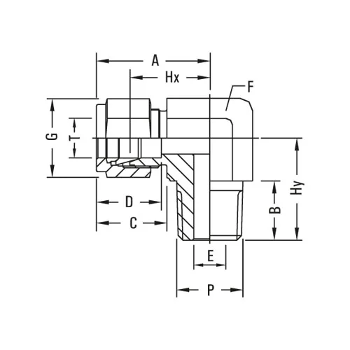
METRIC OD Tubes x Male NPT Threads
| Model No. | T Tube OD | P NPT Male | A | B | C | D | E min. | F A/F | G A/F | Hx | Hy |
| GV-15-ME-3m-2N | 3 | 1/8 | 23.6 | 9.6 | 15.3 | 12.9 | 2.4 | 11 | 11 | 17 | 17.8 |
| GV-15-ME-3m-4N | 3 | 1/4 | 24.6 | 14.3 | 15.3 | 12.9 | 2.4 | 14 | 11 | 18 | 23.4 |
| GV-15-ME-6m-2N | 6 | 1/8 | 27 | 9.6 | 17.7 | 15.3 | 4.8 | 14 | 14 | 19.6 | 18.8 |
| GV-15-ME-6m-4N | 6 | 1/4 | 27 | 14.3 | 17.7 | 15.3 | 4.8 | 14 | 14 | 19.6 | 23.4 |
| GV-15-ME-6m-6N | 6 | 3/8 | 29.8 | 14.3 | 17.7 | 15.3 | 4.8 | 19 | 14 | 22.4 | 26.2 |
| GV-15-ME-6m-8N | 6 | 1/2 | 31.8 | 19.1 | 17.7 | 15.3 | 4.8 | 22 | 14 | 24.4 | 33 |
| GV-15-ME-8m-2N | 8 | 1/8 | 28.8 | 9.6 | 18.6 | 16.2 | 4.8 | 14 | 16 | 21.3 | 19.8 |
| GV-15-ME-8m-4N | 8 | 1/4 | 28.8 | 14.3 | 18.6 | 16.2 | 6.3 | 14 | 16 | 21.3 | 24.4 |
| GV-15-ME-8m-6N | 8 | 3/8 | 30.6 | 14.3 | 18.6 | 16.2 | 6.3 | 19 | 16 | 23.1 | 26.2 |
| GV-15-ME-8m-8N | 8 | 1/2 | 32.6 | 19.1 | 18.6 | 16.2 | 6.3 | 22 | 16 | 25.1 | 33 |
| GV-15-ME-10m-2N | 10 | 1/8 | 31.5 | 9.6 | 19.5 | 17.2 | 4.8 | 17 | 19 | 23.9 | 21.6 |
| GV-15-ME-10m-4N | 10 | 1/4 | 31.5 | 14.3 | 19.5 | 17.2 | 7.1 | 17 | 19 | 23.9 | 26.2 |
| GV-15-ME-10m-6N | 10 | 3/8 | 31.5 | 14.3 | 19.5 | 17.2 | 7.9 | 19 | 19 | 23.9 | 26.2 |
| GV-15-ME-10m-8N | 10 | 1/2 | 33 | 19.1 | 19.5 | 17.2 | 7.9 | 22 | 19 | 25.9 | 33 |
| GV-15-ME-12m-4N | 12 | 1/4 | 36 | 14.3 | 22 | 22.8 | 7.1 | 20.5 | 22 | 25.9 | 26.2 |
| GV-15-ME-12m-6N | 12 | 3/8 | 36 | 14.3 | 22 | 22.8 | 9.5 | 20.5 | 22 | 25.9 | 38.2 |
| GV-15-ME-12m-8N | 12 | 1/2 | 36 | 19.1 | 22 | 22.8 | 9.5 | 22 | 22 | 25.9 | 33 |
| GV-15-ME-12m-12N | 12 | 3/4 | 39.8 | 19.1 | 22 | 22.8 | 9.5 | 27 | 22 | 29.7 | 36.8 |
| GV-15-ME-15m-8N | 15 | 1/2 | 38 | 19.1 | 22 | 24.4 | 11.9 | 24 | 25 | 27.9 | 35.1 |
| GV-15-ME-16m-8N | 16 | 1/2 | 38 | 19.1 | 22 | 24.4 | 11.9 | 24 | 25 | 27.9 | 35.1 |
| GV-15-ME-16m-12N | 16 | 3/4 | 39.8 | 19.1 | 22 | 24.4 | 27.7 | 27 | 25 | 29.7 | 36.8 |
| GV-15-ME-18m-8N | 18 | 1/2 | 39.8 | 19.1 | 22 | 24.4 | 11.9 | 27 | 30 | 29.7 | 36.8 |
| GV-15-ME-18m-12N | 18 | 3/4 | 39.8 | 19.1 | 22 | 24.4 | 15.1 | 27 | 30 | 29.7 | 36.8 |
| GV-15-ME-20m-8N | 20 | 1/2 | 44.6 | 19.1 | 22 | 26 | 11.9 | 32 | 32 | 34.5 | 41.7 |
| GV-15-ME-20m-12N | 20 | 3/4 | 44.6 | 19.1 | 22 | 26 | 15.9 | 32 | 32 | 34.5 | 41.7 |
| GV-15-ME-22m-12N | 22 | 3/4 | 44.6 | 19.1 | 22 | 26 | 15.9 | 32 | 32 | 34.5 | 41.7 |
| GV-15-ME-22m-16N | 22 | 1 | 44.6 | 23.9 | 22 | 26 | 18.3 | 36 | 32 | 34.5 | 46.5 |
| GV-15-ME-25m-12N | 25 | 3/4 | 49.1 | 19.1 | 26.5 | 31.3 | 59.9 | 36 | 38 | 36.8 | 41.7 |
| GV-15-ME-25m-16N | 25 | 1 | 41.1 | 23.9 | 26.5 | 31.3 | 21.8 | 36 | 38 | 36.8 | 46.5 |
| GV-15-ME-30m-20N | 30 | 1.1/4 | 69.9 | 23.9 | 39.2 | 39.6 | 26.2 | 45 | 50 | 48.3 | 53.1 |
| GV-15-ME-32m-20N | 32 | 1.1/4 | 72.3 | 23.9 | 41.6 | 42 | 27.6 | 45 | 50 | 49.3 | 53.1 |
| GV-15-ME-38m-24N | 38 | 1.1/2 | 84 | 26.2 | 47.9 | 49.4 | 33.7 | 55 | 57 | 56.4 | 60.4 |
