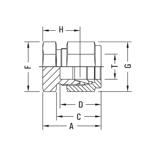
INCH OD Tubes
| Model No. | T Tube OD | A | C | D | F A/F | G A/F | H |
| GV-12-TC-1 | 1/16 | 13 | 11 | 8.6 | 11 | 8 | 11.2 |
| GV-12-TC-2 | 1/8 | 20 | 15.3 | 12.7 | 11 | 11 | 13.5 |
| GV-12-TC-4 | 1/4 | 23.4 | 17.8 | 15.3 | 14 | 14 | 16 |
| GV-12-TC-5 | 5/16 | 24.4 | 18.5 | 16.3 | 16 | 16 | 17 |
| GV-12-TC-6 | 3/8 | 25.7 | 19.3 | 16.8 | 17 | 17 | 18.3 |
| GV-12-TC-8 | 1/2 | 29.2 | 21.8 | 22.9 | 22 | 22 | 19 |
| GV-12-TC-10 | 5/8 | 30 | 21.8 | 24.4 | 24 | 25 | 19.8 |
| GV-12-TC-12 | 3/4 | 31.5 | 21.8 | 24.4 | 27 | 28.5 | 21.4 |
| GV-12-TC-14 | 7/8 | 34 | 21.8 | 25.9 | 35 | 32 | 23.9 |
| GV-12-TC-16 | 1 | 38.4 | 26.4 | 31.2 | 35 | 38 | 26.2 |
| GV-12-TC-20 | 1.1/4 | 53.3 | 38.9 | 41.2 | 46 | 50 | 31.2 |
| GV-12-TC-24 | 1.1/2 | 64.5 | 45.2 | 50 | 55 | 57 | 37.4 |
| GV-12-TC-32 | 2 | 68 | 62.7 | 67.6 | 70 | 76 | 49.3 |
METRIC OD Tubes
| Model No. | T Tube OD | A | C | D | F A/F | G A/F | H |
| GV-12-TC-6m | 3 | 20.1 | 15.3 | 12.9 | 11 | 11 | 13.5 |
| GV-12-TC-6m | 6 | 23.1 | 17.7 | 15.3 | 14 | 14 | 15.7 |
| GV-12-TC-8m | 8 | 24.5 | 18.6 | 16.2 | 16 | 16 | 17 |
| GV-12-TC-10m | 10 | 26.6 | 19.5 | 17.2 | 17 | 19 | 19 |
| GV-12-TC-12m | 12 | 29.1 | 22 | 22.8 | 20.5 | 22 | 19 |
| GV-12-TC-14m | 14 | 29.9 | 22 | 24.4 | 24 | 25 | 19.8 |
| GV-12-TC-15m | 15 | 29.9 | 22 | 24.4 | 24 | 25 | 19.8 |
| GV-12-TC-16m | 16 | 29.9 | 22 | 24.4 | 24 | 25 | 19.8 |
| GV-12-TC-18m | 18 | 31.4 | 22 | 24.4 | 27 | 30 | 21.3 |
| GV-12-TC-20m | 20 | 34 | 22 | 26 | 32 | 32 | 23.9 |
| GV-12-TC-22m | 22 | 34 | 22 | 26 | 32 | 32 | 23.9 |
| GV-12-TC-25m | 25 | 38.5 | 26.5 | 31.3 | 35 | 38 | 26.2 |
| GV-12-TC-28m | 28 | 48.5 | 36.6 | 36.6 | 41 | 46 | 27.7 |
| GV-12-TC-30m | 30 | 53.4 | 39.2 | 39.6 | 46 | 50 | 31.8 |
| GV-12-TC-32m | 32 | 55.8 | 41.6 | 42 | 46 | 50 | 32.8 |
| GV-12-TC-38m | 38 | 65.4 | 47.9 | 49.4 | 55 | 57 | 37.8 |
