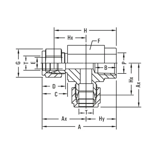
INCH OD Tubes X Female NPT Threads
| Model No. | T Tube OD | P NPT Male | A | Ax | B | C | D | E min. | F A/F | G A/F | H | Hx | Hy |
| GV-24-FRT-2-2N | 1/8 | 1/8 | 43.6 | 24.6 | 10.4 | 15.3 | 12.7 | 2.4 | 14 | 11 | 37 | 18 | 19 |
| GV-24-FRT-4-2N | 1/4 | 1/8 | 45.9 | 26.9 | 10.4 | 17.8 | 15.3 | 4.8 | 14 | 14 | 38.6 | 19.6 | 19 |
| GV-24-FRT-4-4N | 1/4 | 1/4 | 52.1 | 29.7 | 15 | 17.8 | 15.3 | 4.8 | 20.5 | 14 | 44.8 | 22.4 | 22.4 |
| GV-24-FRT-6-4N | 3/8 | 1/4 | 53.6 | 31.2 | 15 | 19.3 | 16.8 | 7.1 | 20.5 | 17 | 46.3 | 23.9 | 22.4 |
| GV-24-FRT-6-6N | 3/8 | 3/8 | 55.7 | 33.3 | 15 | 19.3 | 16.8 | 7.1 | 22 | 17 | 48.3 | 25.9 | 22.4 |
| GV-24-FRT-8-6N | 1/2 | 3/8 | 58.4 | 36 | 15 | 21.8 | 22.9 | 10.4 | 22 | 22 | 48.3 | 25.9 | 22.4 |
| GV-24-FRT-8-8N | 1/2 | 1/2 | 67.4 | 38.9 | 19.8 | 21.8 | 22.9 | 10.4 | 25 | 22 | 57.2 | 28.7 | 28.5 |
| GV-24-FRT-12-12N | 3/4 | 3/4 | 76.5 | 44.7 | 20.6 | 21.8 | 24.4 | 15.8 | 35 | 29 | 66.4 | 34.6 | 31.8 |
| GV-24-FRT-16-12N | 1 | 3/4 | 80.8 | 49 | 20.6 | 26.4 | 31 | 22.3 | 35 | 38 | 68.6 | 36.8 | 31.8 |
| GV-24-FRT-16-16N | 1 | 1 | 91.7 | 53.6 | 25.4 | 26.4 | 31 | 22.3 | 41 | 38 | 79.5 | 41.4 | 38.1 |
METRIC OD Tubes X Female NPT Threads
| Model No. | T Tube OD | P NPT Male | A | Ax | B | C | D | E min. | F A/F | G A/F | H | Hx | Hy |
| GV-24-FRT-3m-2N | 3 | 1/8 | 43.6 | 24.6 | 10.4 | 15.3 | 12.9 | 2.4 | 14 | 11 | 37 | 18 | 19 |
| GV-24-FRT-6m-2N | 6 | 1/8 | 46 | 27 | 10.4 | 17.7 | 15.3 | 4.8 | 14 | 14 | 38.6 | 19.6 | 19 |
| GV-24-FRT-6m-4N | 6 | 1/4 | 52.2 | 29.8 | 15 | 17.7 | 15.3 | 4.8 | 20.5 | 14 | 44.8 | 22.4 | 22.4 |
| GV-24-FRT-8m-2N | 8 | 1/8 | 48.9 | 29.9 | 10.4 | 18.6 | 16.2 | 6.3 | 16 | 16 | 41.4 | 22.4 | 19 |
| GV-24-FRT-8m-4N | 8 | 1/4 | 53 | 30.6 | 15 | 18.6 | 16.2 | 6.3 | 20.5 | 16 | 45.5 | 23.1 | 22.4 |
| GV-24-FRT-10m-4N | 10 | 1/4 | 55.9 | 33.5 | 15 | 19.5 | 17.2 | 7.9 | 20.5 | 19 | 48.3 | 25.9 | 22.4 |
| GV-24-FRT-12m-6N | 12 | 3/8 | 58.4 | 36 | 15 | 22 | 22.8 | 9.5 | 22 | 22 | 48.3 | 25.9 | 22.4 |
| GV-24-FRT-12m-8N | 12 | 1/2 | 67.3 | 38.8 | 19.8 | 22 | 22.8 | 9.5 | 25 | 22 | 57.2 | 28.7 | 28.5 |
| GV-24-FRT-16m-8N | 16 | 1/2 | 68 | 39.5 | 19.8 | 22 | 24 | 12.7 | 25 | 25 | 58.2 | 29.7 | 28.5 |
| GV-24-FRT-25m-16N | 25 | 1 | 91.7 | 53.6 | 25.4 | 26.5 | 31.3 | 22.3 | 41 | 38 | 79.5 | 41.4 | 38.1 |
Note: All dimensions are subject to change without notice
All dimensions are in mm unless specified
