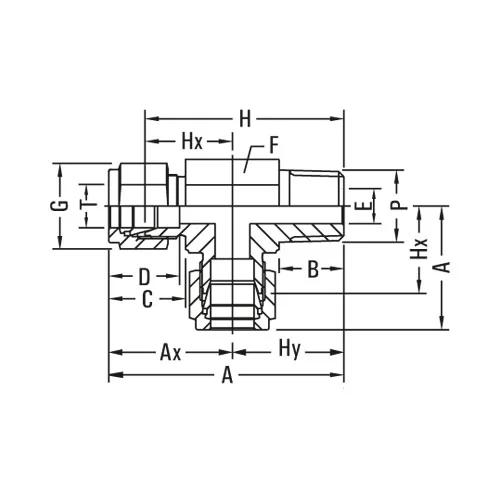
INCH OD Tubes X Male NPT Threads
| Model No. | T Tube OD | P NPT Male | A | Ax | B | C | D | E min. | F A/F | G A/F | H | Hx | Hy |
| GV-22-MRT-2-2N | 1/8 | 1/8 | 41.4 | 23.6 | 9.6 | 15.3 | 12.7 | 2.4 | 11 | 11 | 34.8 | 17 | 17.8 |
| GV-22-MRT-2-4N | 1/8 | 1/4 | 48 | 24.6 | 14.3 | 15.3 | 12.7 | 2.4 | 14 | 11 | 41.4 | 18 | 23.4 |
| GV-22-MRT-4-2N | 1/4 | 1/8 | 45.7 | 26.9 | 9.6 | 17.8 | 15.3 | 4.8 | 14 | 14 | 38.4 | 19.6 | 18.8 |
| GV-22-MRT-4-4N | 1/4 | 1/4 | 50.3 | 26.9 | 14.3 | 17.8 | 15.3 | 4.8 | 14 | 14 | 43 | 19.6 | 23.4 |
| GV-22-MRT-4-6N | 1/4 | 3/8 | 55.9 | 29.7 | 14.3 | 17.8 | 15.3 | 4.8 | 19 | 14 | 48.8 | 22.4 | 26.2 |
| GV-22-MRT-4-8N | 1/4 | 1/2 | 64.8 | 31.8 | 19.1 | 17.8 | 15.3 | 4.8 | 22 | 14 | 57.4 | 24.4 | 33 |
| GV-22-MRT-6-4N | 3/8 | 1/4 | 55.9 | 30.5 | 14.3 | 19.3 | 16.8 | 7.1 | 17 | 17 | 48.5 | 23.1 | 25.4 |
| GV-22-MRT-6-6N | 3/8 | 3/8 | 57.4 | 31.2 | 14.3 | 19.3 | 16.8 | 7.1 | 19 | 17 | 50.1 | 23.9 | 26.2 |
| GV-22-MRT-6-8N | 3/8 | 1/2 | 66 | 33 | 19.1 | 19.3 | 16.8 | 7.1 | 22 | 17 | 58.9 | 25.9 | 33 |
| GV-22-MRT-8-4N | 1/2 | 1/4 | 64.2 | 36 | 14.3 | 21.8 | 22.9 | 4.8 | 20.5 | 22 | 54.1 | 25.9 | 28.2 |
| GV-22-MRT-8-6N | 1/2 | 3/8 | 64.2 | 36 | 14.3 | 21.8 | 22.9 | 9.6 | 20.5 | 22 | 54.1 | 25.9 | 28.2 |
| GV-22-MRT-8-8N | 1/2 | 1/2 | 69 | 36 | 19.1 | 21.8 | 22.9 | 10.4 | 22 | 22 | 58.9 | 25.9 | 33 |
| GV-22-MRT-10-8N | 5/8 | 1/2 | 73.1 | 38.1 | 19.1 | 21.8 | 24.4 | 11.9 | 22 | 25 | 62.9 | 27.9 | 35 |
| GV-22-MRT-12-8N | 3/4 | 1/2 | 76.7 | 39.9 | 19.1 | 21.8 | 24.4 | 11.9 | 27 | 28 | 66.5 | 29.7 | 36.8 |
| GV-22-MRT-12-12N | 3/4 | 3/4 | 76.7 | 39.9 | 19.1 | 21.8 | 24.4 | 15.8 | 27 | 29 | 66.5 | 29.7 | 36.8 |
| GV-22-MRT-16-12N | 1 | 3/4 | 90.6 | 49 | 19.1 | 26.4 | 31.2 | 15.8 | 36 | 38 | 78.4 | 36.8 | 41.6 |
| GV-22-MRT-16-16N | 1 | 1 | 95.5 | 49 | 23.8 | 26.4 | 31.2 | 22.3 | 35 | 38 | 83.3 | 36.8 | 46.5 |
| GV-22-MRT-20-20N | 1.1/4 | 1.1/4 | 114.1 | 66.5 | 23.8 | 38.8 | 41.1 | 27.6 | 46 | 50 | 92.1 | 44.5 | 47.6 |
| GV-22-MRT-24-24N | 1.1/2 | 1.1/2 | 138.4 | 78 | 26.2 | 45.2 | 50 | 34 | 55 | 57 | 111.2 | 50.8 | 60.4 |
METRIC OD Tubes X Male NPT Threads
| Model No. | T Tube OD | P NPT Male | A | Ax | B | C | D | E min. | F A/F | G A/F | H | Hx | Hy |
| GV-22-MRT-3m-2N | 3 | 1/8 | 41.4 | 23.6 | 9.6 | 15.3 | 12.9 | 2.4 | 11 | 11 | 34.8 | 17 | 17.8 |
| GV-22-MRT-3m-4N | 3 | 1/4 | 48 | 24.6 | 14.3 | 15.3 | 12.9 | 2.4 | 14 | 11 | 41.4 | 18 | 23.4 |
| GV-22-MRT-6m-2N | 6 | 1/8 | 45.8 | 27 | 9.6 | 17.7 | 15.3 | 4.8 | 14 | 14 | 38.9 | 19.6 | 18.8 |
| GV-22-MRT-6m-4N | 6 | 1/4 | 50.4 | 27 | 14.3 | 17.7 | 15.3 | 4.8 | 14 | 14 | 43 | 19.6 | 23.4 |
| GV-22-MRT-6m-6N | 6 | 3/8 | 56 | 29.8 | 14.3 | 17.7 | 15.3 | 4.8 | 19 | 14 | 48.6 | 22.4 | 26.2 |
| GV-22-MRT-8m-4N | 8 | 1/4 | 53.2 | 28.8 | 14.3 | 18.6 | 16.2 | 6.3 | 14 | 16 | 45.7 | 21.3 | 24.4 |
| GV-22-MRT-8m-6N | 8 | 3/8 | 56.8 | 30.6 | 14.3 | 18.6 | 16.2 | 6.3 | 19 | 16 | 49.3 | 23.1 | 26.2 |
| GV-22-MRT-8m-8N | 8 | 1/2 | 65.6 | 32.6 | 19.1 | 18.6 | 16.2 | 6.3 | 22 | 16 | 58.1 | 25.1 | 33 |
| GV-22-MRT-10m-4N | 10 | 1/4 | 57.7 | 31.5 | 14.3 | 19.5 | 17.2 | 7.1 | 17 | 19 | 50.1 | 23.9 | 26.2 |
| GV-22-MRT-10m-6N | 10 | 3/8 | 57.7 | 31.5 | 14.3 | 19.5 | 17.2 | 7.9 | 19 | 19 | 50.1 | 23.9 | 26.2 |
| GV-22-MRT-10m-8N | 10 | 1/2 | 66.5 | 33.5 | 19.1 | 19.5 | 17.2 | 7.9 | 22 | 19 | 58.9 | 25.9 | 33 |
| GV-22-MRT-12m-4N | 12 | 1/4 | 62.2 | 36 | 14.3 | 22 | 22.8 | 7.1 | 20.5 | 22 | 52.1 | 25.9 | 26.2 |
| GV-22-MRT-12m-6N | 12 | 3/8 | 62.2 | 36 | 14.3 | 22 | 22.8 | 9.5 | 20.5 | 22 | 52.1 | 25.9 | 28.2 |
| GV-22-MRT-12m-8N | 12 | 1/2 | 69 | 36 | 19.1 | 22 | 22.8 | 9.5 | 22 | 22 | 58.9 | 25.9 | 33 |
| GV-22-MRT-16m-8N | 16 | 1/2 | 73.1 | 38 | 19.1 | 22 | 24 | 11.9 | 24 | 25 | 64 | 27.9 | 35.1 |
| GV-22-MRT-25m-12N | 25 | 3/4 | 90.8 | 49.1 | 19.1 | 26.5 | 31.3 | 15.8 | 36 | 38 | 78.5 | 36.8 | 41.7 |
| GV-22-MRT-25m-16N | 25 | 1 | 95.6 | 49.1 | 23.8 | 26.5 | 31.3 | 21.8 | 36 | 38 | 83.3 | 36.8 | 46.5 |
| GV-22-MRT-30m-20N | 30 | 1.1/4 | 120 | 66.9 | 23.8 | 39.2 | 39.6 | 26.2 | 45 | 50 | 101.4 | 48.3 | 53.1 |
| GV-22-MRT-32m-20N | 32 | 1.1/4 | 125.4 | 72.3 | 23.8 | 41.6 | 42 | 27.6 | 45 | 50 | 102.4 | 49.3 | 53.1 |
| GV-22-MRT-38m-24N | 38 | 1.1/2 | 144.4 | 84 | 26.2 | 47.9 | 50 | 33.7 | 55 | 57 | 116.8 | 56.4 | 60.4 |
Note: All dimensions are subject to change without notice
All dimensions are in mm unless specified
