INCH OD Tubes
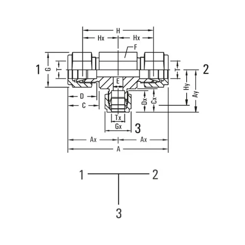
| Model No. | T Tube OD | Tx Tube OD | A | Ax | Ay | C | Cx | D | Dx | E min. | F A/F | G A/F | Gx A/F | H | Hx | Hy |
| GV-20-RUT-6/6/4 | 3/8 | 1/4 | 61 | 30.5 | 29 | 19.3 | 17.8 | 16.8 | 15.3 | 4.8 | 16 | 17 | 14 | 46.2 | 23.1 | 21.6 |
| GV-20-RUT-8/8/4 | 1/2 | 1/4 | 72.2 | 36 | 31.8 | 21.8 | 17.8 | 22.9 | 15.3 | 4.8 | 20.5 | 22 | 14 | 51.8 | 25.9 | 24.4 |
| GV-20-RUT-8/8/6 | 1/2 | 3/8 | 72.2 | 36 | 33.3 | 21.8 | 19.3 | 22.9 | 16.8 | 7.1 | 20.5 | 22 | 17 | 51.8 | 25.9 | 25.9 |
| GV-20-RUT-12/12/6 | 3/4 | 3/8 | 79.8 | 39.9 | 37 | 21.8 | 19.3 | 24.4 | 16.8 | 7.1 | 27 | 28.5 | 17 | 59.4 | 29.7 | 29.7 |
| GV-20-RUT-12/12/8 | 3/4 | 1/2 | 79.8 | 39.9 | 39.9 | 21.8 | 21.8 | 24.4 | 22.9 | 10.4 | 27 | 28.5 | 22 | 59.4 | 29.7 | 29.7 |
| GV-20-RUT-16/16/6 | 1 | 3/8 | 98 | 49 | 41.9 | 26.4 | 19.3 | 31.2 | 16.8 | 7.1 | 36 | 38 | 17 | 73.6 | 36.8 | 34.5 |
| GV-20-RUT-16/16/8 | 1 | 1/2 | 98 | 49 | 44.7 | 26.4 | 22.9 | 31.2 | 21.8 | 10.4 | 36 | 38 | 22 | 73.6 | 36.8 | 34.5 |
| GV-20-RUT-16/16/12 | 1 | 3/4 | 98 | 49 | 44.7 | 26.4 | 24.4 | 31.2 | 24.4 | 15.8 | 36 | 38 | 28.5 | 73.6 | 36.8 | 34.5 |
| GV-20-RUT-20/20/16 | 1.1/4 | 1 | 135.6 | 67.8 | 55.1 | 38.9 | 26.4 | 41.2 | 31.2 | 22.3 | 46 | 50 | 38 | 91.4 | 45.7 | 42.9 |
| GV-20-RUT-24/24/16 | 1.1/2 | 1 | 157.5 | 78.7 | 60 | 44.7 | 26.4 | 50 | 31.2 | 22.3 | 55 | 57 | 38 | 103.2 | 51.6 | 47.8 |

INCH OD Tubes
| Model No. | T Tube OD | Tx Tube OD | A | Ax | Ay | C | Cx | D | Dx | E min. | F A/F | G A/F | Gx A/F | H | Hx | Hy |
| GV-20-RUT-6/4/6 | 3/8 | 1/4 | 59.4 | 30.5 | 29 | 19.3 | 17.8 | 16.8 | 15.3 | 4.8 | 16 | 17 | 14 | 44.7 | 23.1 | 21.6 |
| GV-20-RUT-8/4/8 | 1/2 | 1/4 | 67.7 | 36 | 31.7 | 21.8 | 17.8 | 22.9 | 15.3 | 4.8 | 20.5 | 22 | 14 | 50.2 | 25.9 | 24.3 |
| GV-20-RUT-8/6/8 | 1/2 | 3/8 | 69.3 | 36 | 33.3 | 21.8 | 19.3 | 22.9 | 16.8 | 7.1 | 20.5 | 22 | 17 | 51.8 | 25.9 | 25.9 |
| GV-20-RUT-12/6/12 | 3/4 | 3/8 | 77 | 39.9 | 37.1 | 21.8 | 19.3 | 24.4 | 16.8 | 7.1 | 27 | 28.5 | 17 | 59.4 | 29.7 | 29.7 |
| GV-20-RUT-12/8/12 | 3/4 | 1/2 | 79.8 | 39.9 | 39.9 | 21.8 | 21.8 | 24.4 | 22.9 | 10.4 | 27 | 28.5 | 22 | 59.4 | 29.7 | 29.7 |
| GV-20-RUT-16/6/16 | 1 | 3/8 | 98.9 | 49 | 41.9 | 26.4 | 19.3 | 31.2 | 16.8 | 7.1 | 36 | 38 | 17 | 71.3 | 36.8 | 34.5 |
| GV-20-RUT-16/8/16 | 1 | 1/2 | 93.7 | 49 | 44.7 | 26.4 | 21.8 | 31.2 | 21.8 | 10.4 | 36 | 38 | 22 | 71.3 | 36.8 | 34.5 |
| GV-20-RUT-16/12/16 | 1 | 3/4 | 93.7 | 49 | 44.7 | 26.4 | 21.8 | 31.2 | 24.4 | 15.8 | 36 | 38 | 28.5 | 71.3 | 36.8 | 34.5 |
| GV-20-RUT-20/16/20 | 1.1/4 | 1 | 119.6 | 67.8 | 53 | 38.9 | 26.4 | 41.2 | 31.2 | 18.2 | 46 | 50 | 38 | 85.3 | 45.7 | 40.8 |
| GV-20-RUT-24/20/24 | 1.1/2 | 1 | 150.9 | 78.7 | 72.9 | 45.2 | 38.9 | 50 | 41.3 | 27.6 | 55 | 57 | 38 | 101.6 | 50.8 | 50.8 |

INCH OD Tubes
| Model No. | T Tube OD | Tx Tube OD | A | Ax | Ay | C | Cx | D | Dx | E min. | F A/F | G A/F | Gx A/F | H | Hx | Hy |
| GV-20-RUT-6/4/4 | 3/8 | 1/4 | 59.6 | 30.6 | 29 | 19.3 | 17.8 | 16.8 | 15.3 | 4.8 | 16 | 17 | 14 | 44.8 | 23.2 | 21.6 |
| GV-20-RUT-8/4/4 | 1/2 | 1/4 | 67.7 | 36 | 31.7 | 21.8 | 17.8 | 22.9 | 15.3 | 4.8 | 20.5 | 22 | 14 | 50.2 | 25.9 | 24.3 |
| GV-20-RUT-8/6/6 | 1/2 | 3/8 | 69.3 | 36 | 33.2 | 21.8 | 19.3 | 22.9 | 16.8 | 7.1 | 20.5 | 22 | 17 | 51.8 | 25.9 | 25.9 |
| GV-20-RUT-12/6/6 | 3/4 | 3/8 | 77 | 38.9 | 37 | 21.8 | 19.3 | 24.4 | 16.8 | 7.1 | 27 | 28.5 | 17 | 59.4 | 29.7 | 29.7 |
| GV-20-RUT-12/8/8 | 3/4 | 1/2 | 79.8 | 39.9 | 39.9 | 21.8 | 21.8 | 24.4 | 22.9 | 10.4 | 27 | 28.5 | 22 | 59.4 | 29.7 | 29.7 |
| GV-20-RUT-16/6/6 | 1 | 3/8 | 99.9 | 39.9 | 41.9 | 26.4 | 19.3 | 31.2 | 16.8 | 7.1 | 36 | 38 | 17 | 71.3 | 36.8 | 34.5 |
| GV-20-RUT-16/8/8 | 1 | 1/2 | 93.7 | 49 | 44.7 | 26.4 | 22.9 | 31.2 | 21.8 | 10.4 | 36 | 38 | 22 | 71.3 | 36.8 | 34.5 |
| GV-20-RUT-16/12/12 | 1 | 3/4 | 93.7 | 49 | 44.7 | 26.4 | 24.4 | 31.2 | 24.4 | 15.8 | 36 | 38 | 28.5 | 71.3 | 36.8 | 34.5 |
| GV-20-RUT-20/16/16 | 1.1/4 | 1 | 122.9 | 67.8 | 55.1 | 38.9 | 26.4 | 41.2 | 31.2 | 22.3 | 46 | 50 | 38 | 88.6 | 45.7 | 42.9 |
| GV-20-RUT-24/16/16 | 1.1/2 | 1 | 138.7 | 78.7 | 60 | 44.7 | 26.4 | 50 | 31.2 | 22.3 | 50 | 57 | 38 | 99.4 | 51.6 | 47.8 |
NOTE: 1. The order of the sizes is as per the designation (1-2-3) in figure shown above
NOTE:The combinations shown above are representative of various possibilities. Other combinations not shown are also available. Please consult us.
Note: All dimensions are subject to change without notice
All dimensions are in mm unless specified
