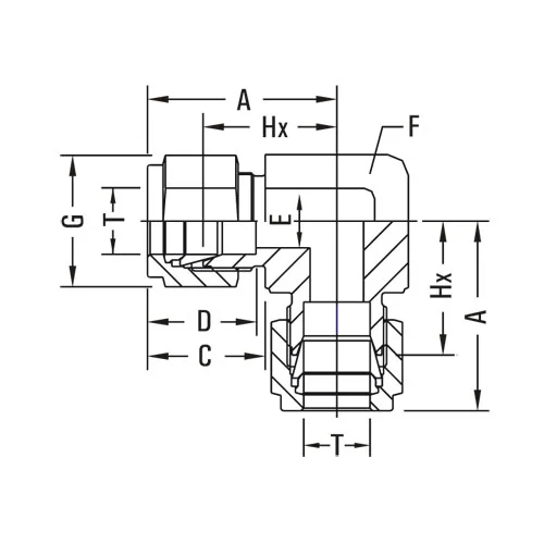
INCH OD Tubes
| Model No. | T Tube OD |
A | C | D | E min. |
F A/F |
G | Hx |
| GV-14-UE-1 | 1/16 | 17.8 | 11 | 8.6 | 1.3 | 11 | 8 | 14 |
| GV-14-UE-2 | 1/8 | 22.4 | 15.3 | 12.7 | 2.4 | 12.7 | 11 | 15.8 |
| GV-14-UE-4 | 1/4 | 26.9 | 17.8 | 15.3 | 4.8 | 12.7 | 14 | 19.6 |
| GV-14-UE-5 | 5/16 | 28.7 | 18.5 | 16.3 | 6.3 | 16 | 16 | 21.3 |
| GV-14-UE-6 | 3/8 | 30.5 | 19.3 | 16.8 | 7.1 | 15.5 | 17 | 23.2 |
| GV-14-UE-8 | 1/2 | 36 | 21.8 | 22.9 | 10.4 | 20.5 | 22 | 25.9 |
| GV-14-UE-10 | 5/8 | 38.1 | 21.8 | 24.4 | 12.7 | 24 | 25 | 27.9 |
| GV-14-UE-12 | 3/4 | 39.9 | 21.8 | 24.4 | 15.8 | 27 | 28.5 | 29.7 |
| GV-14-UE-14 | 7/8 | 44.7 | 21.8 | 25.9 | 18.2 | 36 | 32 | 34.6 |
| GV-14-UE-16 | 1 | 49 | 26.4 | 31.2 | 22.3 | 36 | 38 | 36.8 |
| GV-14-UE-20 | 1.1/4 | 66.6 | 38.9 | 41.2 | 27.6 | 46 | 50 | 44.5 |
| GV-14-UE-24 | 1.1/2 | 78 | 45.2 | 50 | 34 | 55 | 57 | 50.8 |
| GV-14-UE-32 | 2 | 107.2 | 62.7 | 67.6 | 46 | 70 | 76 | 69.9 |
METRIC OD Tubes
| Model No. | T Tube OD |
A | C | D | E min. |
F A/F |
G | Hx |
| GV-14-UE-3m | 3 | 22.3 | 15.3 | 12.9 | 2.4 | 12.7 | 11 | 15.7 |
| GV-14-UE-6m | 6 | 27 | 17.7 | 15.3 | 4.8 | 12.7 | 14 | 19.6 |
| GV-14-UE-8m | 8 | 28.8 | 18.6 | 16.2 | 6.3 | 15.5 | 16 | 21.3 |
| GV-14-UE-10m | 10 | 31.5 | 19.5 | 17.2 | 7.9 | 17 | 19 | 23.9 |
| GV-14-UE-12m | 12 | 36 | 22 | 22.8 | 9.5 | 20.5 | 22 | 25.9 |
| GV-14-UE-14m | 14 | 38 | 22 | 24.4 | 11.1 | 24 | 27 | 27.9 |
| GV-14-UE-15m | 15 | 38 | 22 | 24.4 | 11.9 | 24 | 27 | 27.9 |
| GV-14-UE-16m | 16 | 38 | 22 | 24.4 | 12.7 | 24 | 27 | 27.9 |
| GV-14-UE-18m | 18 | 39.8 | 22 | 24.4 | 15.1 | 27 | 30 | 29.7 |
| GV-14-UE-20m | 20 | 44.6 | 22 | 26 | 15.9 | 32 | 32 | 34.5 |
| GV-14-UE-22m | 22 | 44.6 | 22 | 26 | 18.3 | 32 | 32 | 34.5 |
| GV-14-UE-25m | 25 | 49.1 | 26.5 | 31.3 | 21.8 | 36 | 38 | 36.8 |
| GV-14-UE-28m | 28 | 64 | 36.6 | 36.6 | 21.8 | 41 | 46 | 43.5 |
| GV-14-UE-30m | 30 | 69.9 | 39.2 | 39.6 | 26.2 | 46 | 50 | 48.3 |
| GV-14-UE-32m | 32 | 72.3 | 41.6 | 42 | 28.6 | 46 | 50 | 49.3 |
| GV-14-UE-38m | 38 | 84 | 47.9 | 49.4 | 33.7 | 55 | 57 | 56.4 |
