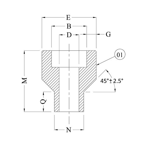
3000# Socket Welded
| Model No. | Nom. Pipe Size | B | C (Avg) | C (Min) | D | J (Min) | N | Q | M | G |
|---|---|---|---|---|---|---|---|---|---|---|
| GV-416-CO-4SW-3000# | 1/4 | 14.2 | 3.78 | 3.30 | 9.3 | 9.5 | 17.5 | 9.5 | 30.2 | 23.8 |
| GV-416-CO-6SW-3000# | 3/8 | 17.6 | 4.01 | 3.40 | 10.2 | 9.5 | 20.7 | 9.5 | 30.2 | 27.2 |
| GV-416-CO-8SW-3000# | 1/2 | 21.8 | 4.67 | 4.01 | 15.0 | 9.5 | 25.3 | 9.5 | 34.4 | 33.4 |
| GV-416-CO-12SW-3000# | 3/4 | 27.2 | 4.90 | 4.27 | 21.0 | 12.5 | 27.9 | 9.5 | 36.0 | 38.1 |
| GV-416-CO-16SW-3000# | 1 | 33.9 | 5.69 | 4.98 | 26.7 | 12.5 | 34.9 | 9.5 | 49.6 | 46.1 |
| GV-416-CO-20SW-3000# | 1-1/4 | 42.7 | 5.91 | 5.21 | 33.5 | 12.5 | 44.5 | 9.5 | 55.0 | 56.3 |
| GV-416-CO-24SW-3000# | 1-1/2 | 48.8 | 6.35 | 5.64 | 40.9 | 12.5 | 50.8 | 9.5 | 60.8 | 63.5 |
| GV-416-CO-32SW-3000# | 2 | 61.2 | 6.63 | 5.84 | 52.5 | 16.0 | 61.9 | 9.5 | 57.2 | 79.4 |
6000# Socket Welded
| Model No. | Nom. Pipe Size | B | C (Avg) | C (Min) | D | J (Min) | N | Q | M | G |
|---|---|---|---|---|---|---|---|---|---|---|
| GV-416-CO-4SW-6000# | 1/4 | 14.2 | 4.60 | 4.01 | 6.4 | 9.5 | 17.5 | 9.5 | 30.2 | 25.4 |
| GV-416-CO-6SW-6000# | 3/8 | 17.6 | 5.01 | 4.39 | 7.5 | 9.5 | 20.7 | 9.5 | 30.2 | 27.2 |
| GV-416-CO-8SW-6000# | 1/2 | 21.8 | 5.97 | 5.18 | 10.2 | 9.5 | 25.3 | 9.5 | 34.4 | 33.4 |
| GV-416-CO-12SW-6000# | 3/4 | 27.2 | 6.32 | 5.54 | 15.6 | 12.5 | 27.9 | 9.5 | 36.0 | 38.1 |
| GV-416-CO-16SW-6000# | 1 | 33.9 | 7.92 | 6.90 | 19.5 | 12.5 | 34.9 | 9.5 | 49.6 | 46.1 |
| GV-416-CO-20SW-6000# | 1-1/4 | 42.7 | 9.03 | 7.90 | 29.5 | 12.5 | 44.5 | 9.5 | 55.0 | 63.5 |
| GV-416-CO-24SW-6000# | 1-1/2 | 48.8 | 9.82 | 8.59 | 35.2 | 12.5 | 50.8 | 9.5 | 60.8 | 76.2 |
| GV-416-CO-32SW-6000# | 2 | 61.2 | 10.92 | 9.52 | 42.9 | 16.0 | 61.9 | 9.5 | 57.2 | 92.1 |
