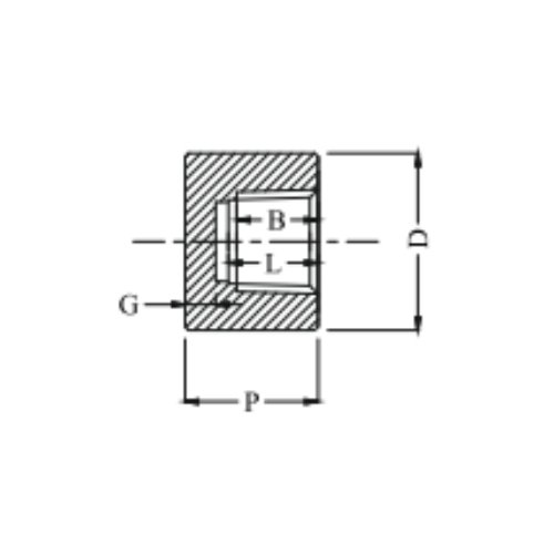
3000# Threaded
| Model No. | Nom. Pipe Size | Length of Threaded (min) | P | D | G Min | |
|---|---|---|---|---|---|---|
| B | L | |||||
| GV-411-C-4N-3000# | 1/4 | 8.1 | 10.2 | 25 | 19 | 4.8 |
| GV-411-C-6N-3000# | 3/8 | 9.1 | 10.4 | 25 | 22 | 4.8 |
| GV-411-C-8N-3000# | 1/2 | 10.9 | 13.6 | 32 | 28 | 6.4 |
| GV-411-C-12N-3000# | 3/4 | 12.7 | 13.9 | 37 | 35 | 6.4 |
| GV-411-C-16N-3000# | 1 | 14.7 | 17.3 | 41 | 44 | 9.7 |
| GV-411-C-20N-3000# | 1-1/4 | 17.0 | 18.0 | 44 | 57 | 9.7 |
| GV-411-C-24N-3000# | 1-1/2 | 17.8 | 18.4 | 46 | 64 | 11.2 |
| GV-411-C-32N-3000# | 2 | 19.0 | 19.2 | 48 | 76 | 12.7 |
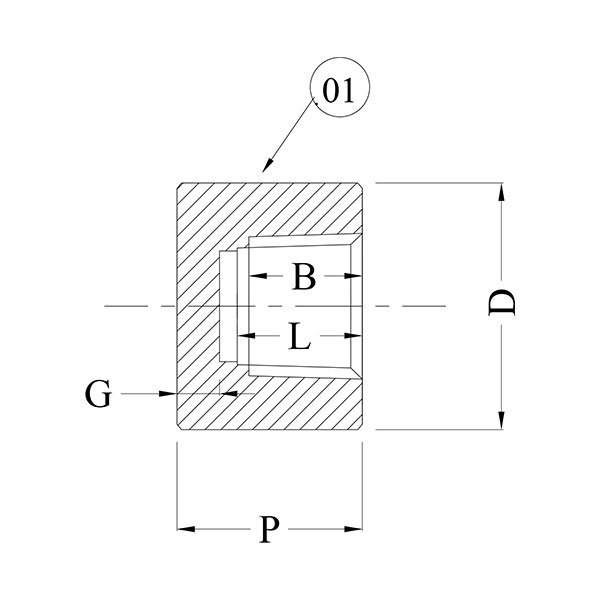
6000# Threaded
| Model No. | Nom. Pipe Size | Length of Threaded (min) | P | D | G Min | |
|---|---|---|---|---|---|---|
| B | L | |||||
| GV-411-C-4N-6000# | 1/4 | 8.1 | 10.2 | 27 | 25 | 6.4 |
| GV-411-C-6N-6000# | 3/8 | 9.1 | 10.4 | 27 | 32 | 6.4 |
| GV-411-C-8N-6000# | 1/2 | 10.9 | 13.6 | 33 | 38 | 7.9 |
| GV-411-C-12N-6000# | 3/4 | 12.7 | 13.9 | 38 | 44 | 7.9 |
| GV-411-C-16N-6000# | 1 | 14.7 | 17.3 | 43 | 57 | 11.2 |
| GV-411-C-20N-6000# | 1-1/4 | 17.0 | 18.0 | 46 | 64 | 11.2 |
| GV-411-C-24N-6000# | 1-1/2 | 17.8 | 18.4 | 48 | 76 | 12.7 |
| GV-411-C-32N-6000# | 2 | 19.0 | 19.2 | 51 | 92 | 15.7 |
