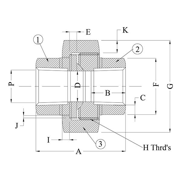
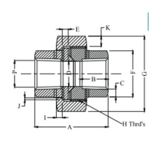
3000# Threaded
| Model No. | NPT Female | A | B | C Min | D Min | E Min | F A/F | G A/F | H | I Min | J Min | K Min |
|---|---|---|---|---|---|---|---|---|---|---|---|---|
| GV-417-3PC-U-4N-3000# | 1/4" | 42.0 | 15.0 | 5.8 | 10.0 | 3.6 | 25.0 | 40.5 | Ø32 X 2 | 3.6 | 1.65 | 4.0 |
| GV-417-3PC-U-6N-3000# | 3/8" | 46.7 | 15.0 | 5.4 | 13.0 | 4.3 | 26.0 | 40.5 | Ø32 X 2 | 3.6 | 1.65 | 4.5 |
| GV-417-3PC-U-8N-3000# | 1/2" | 49.6 | 19.3 | 8.1 | 17.0 | 4.4 | 34.5 | 49.2 | Ø44.5 X 2 | 4.5 | 2.0 | 5.0 |
| GV-417-3PC-U-12N-3000# | 3/4" | 62.0 | 22.0 | 9.1 | 21.6 | 4.5 | 44.5 | 60.0 | Ø53.5 X 2 | 4.5 | 2.25 | 5.3 |
| GV-417-3PC-U-16N-3000# | 1" | 66.5 | 22.0 | 11.3 | 28.0 | 4.5 | 54.5 | 70.0 | Ø64.0 X 2 | 5.5 | 2.75 | 5.4 |
| GV-417-3PC-U-20N-3000# | 1¼" | 76.6 | 25.0 | 9.4 | 35.7 | 6.2 | 61.6 | 83.0 | Ø71.0 X 2 | 6.0 | 2.85 | 5.5 |
| GV-417-3PC-U-24N-3000# | 1½" | 76.6 | 25.0 | 9.4 | 41.0 | 6.2 | 65.5 | 83.0 | Ø71.0 X 2 | 6.0 | 2.85 | 5.5 |
| GV-417-3PC-U-32N-3000# | 2" | 87.5 | 27.0 | 5.0 | 52.5 | 7.0 | 70.1 | 101.2 | Ø86.0 X 2 | 8.0 | 3.20 | 6.8 |
6000# Threaded
| Model No. | NPT Female | A | B | C Min | D Min | E Min | F A/F | G A/F | H | I Min | J Min | K Min |
|---|---|---|---|---|---|---|---|---|---|---|---|---|
| GV-417-3PC-U-4N-6000# | 1/4" | 49.6 | 15.0 | 6.5 | 14.0 | 3.3 | 28.0 | 47.0 | Ø37 X 2 | 4.0 | 1.65 | 4.5 |
| GV-417-3PC-U-6N-6000# | 3/8" | 49.6 | 15.0 | 6.5 | 14.0 | 3.3 | 28.0 | 47.0 | Ø37 X 2 | 4.0 | 1.65 | 4.5 |
| GV-417-3PC-U-8N-6000# | 1/2" | 57.2 | 19.0 | 7.5 | 17.0 | 4.5 | 34.0 | 55.0 | Ø44.5 X 2 | 4.5 | 2.0 | 5.0 |
| GV-417-3PC-U-12N-6000# | 3/4" | 62.0 | 19.0 | 8.6 | 21.6 | 4.5 | 42.0 | 62.0 | Ø53.5 X 2 | 4.5 | 2.25 | 5.3 |
| GV-417-3PC-U-16N-6000# | 1" | 72.0 | 22.0 | 8.5 | 28.0 | 5.1 | 51.0 | 75.6 | Ø64.0 X 2 | 5.5 | 2.75 | 5.4 |
| GV-417-3PC-U-20N-6000# | 1-1/4" | 76.6 | 25.0 | 9.3 | 35.7 | 5.5 | 57.7 | 83.0 | Ø71.0 X 2 | 6.0 | 2.85 | 5.5 |
| GV-417-3PC-U-24N-6000# | 1-1/2" | 87.5 | 25.0 | 12.75 | 41.0 | 7.20 | 70.1 | 101.2 | Ø86.0 X 2 | 8.0 | 3.20 | 6.8 |
| GV-417-3PC-U-32N-6000# | 2" | — | — | — | — | — | — | — | — | — | — | — |
