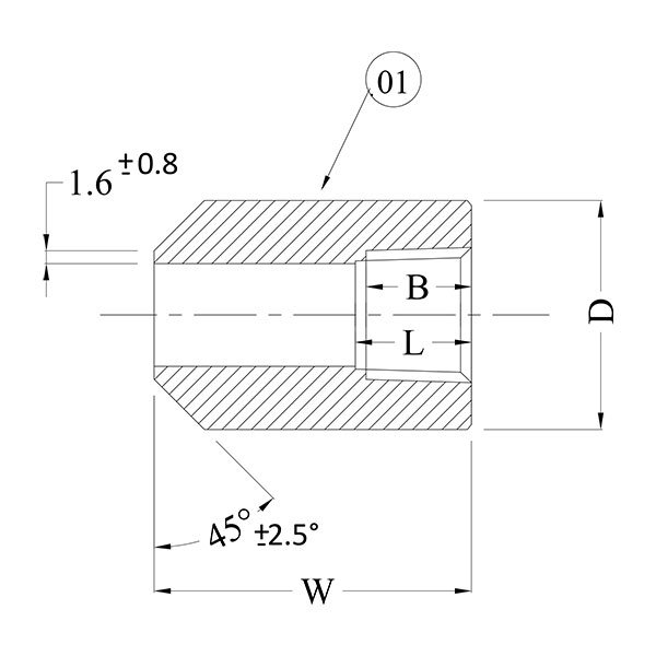
3000# Threaded
| Model No. | Nom. Pipe Size | Length of Threaded (min) | W | D | |
|---|---|---|---|---|---|
| B | L | ||||
| GV-413-B-4N-3000# | 1/4 | 8.1 | 10.2 | 35.0 | 19.0 |
| GV-413-B-6N-3000# | 3/8 | 9.1 | 10.4 | 38.0 | 22.0 |
| GV-413-B-8N-3000# | 1/2 | 10.9 | 13.6 | 48.0 | 28.0 |
| GV-413-B-12N-3000# | 3/4 | 12.7 | 13.9 | 51.0 | 35.0 |
| GV-413-B-16N-3000# | 1" | 14.7 | 17.3 | 60.0 | 44.0 |
| GV-413-B-20N-3000# | 1-1/4 | 17.0 | 18.0 | 67.0 | 57.0 |
| GV-413-B-24N-3000# | 1-1/2 | 17.8 | 18.4 | 79.0 | 64.0 |
| GV-413-B-32N-3000# | 2" | 19.0 | 19.2 | 86.0 | 76.0 |
6000# Threaded
| Model No. | Nom. Pipe Size | Length of Threaded (min) | W | D | |
|---|---|---|---|---|---|
| B | L | ||||
| GV-413-B-4N-6000# | 1/4 | 8.1 | 10.2 | 35.0 | 25.0 |
| GV-413-B-6N-6000# | 3/8 | 9.1 | 10.4 | 38.0 | 32.0 |
| GV-413-B-8N-6000# | 1/2 | 10.9 | 13.6 | 48.0 | 38.0 |
| GV-413-B-12N-6000# | 3/4 | 12.7 | 13.9 | 51.0 | 44.0 |
| GV-413-B-16N-6000# | 1" | 14.7 | 17.3 | 60.0 | 57.0 |
| GV-413-B-20N-6000# | 1-1/4 | 17.0 | 18.0 | 67.0 | 64.0 |
| GV-413-B-24N-6000# | 1-1/2 | 17.8 | 18.4 | 79.0 | 76.0 |
| GV-413-B-32N-6000# | 2" | 19.0 | 19.2 | 86.0 | 92.0 |
