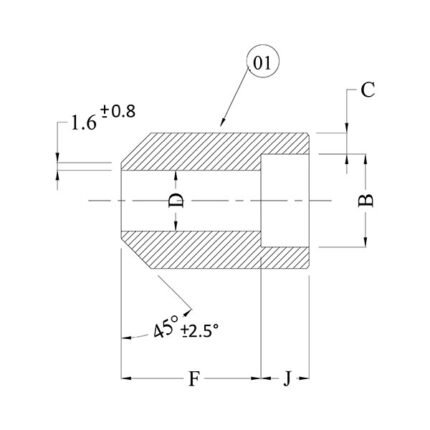
3000# Socket Welded
| Model No. | Nom. Pipe Size | B | C | D | E | J (Min) | |
|---|---|---|---|---|---|---|---|
| (Avg) | (Min) | ||||||
| GV-410-HC-4SW-3000# | 1/4 | 14.2 | 3.78 | 3.30 | 9.3 | 6.5 | 9.5 |
| GV-410-HC-6SW-3000# | 3/8 | 17.6 | 4.01 | 3.50 | 12.6 | 6.5 | 9.5 |
| GV-410-HC-8SW-3000# | 1/2 | 21.8 | 4.67 | 4.09 | 15.8 | 9.5 | 9.5 |
| GV-410-HC-12SW-3000# | 3/4 | 27.2 | 4.90 | 4.27 | 21.0 | 9.5 | 12.5 |
| GV-410-HC-16SW-3000# | 1 | 33.9 | 5.69 | 4.98 | 26.7 | 12.5 | 12.5 |
| GV-410-HC-20SW-3000# | 1-1/4 | 42.7 | 6.07 | 5.28 | 35.1 | 12.5 | 12.5 |
| GV-410-HC-24SW-3000# | 1-1/2 | 48.8 | 6.35 | 5.54 | 40.9 | 12.5 | 12.5 |
| GV-410-HC-32SW-3000# | 2 | 61.2 | 6.93 | 6.04 | 52.5 | 19.0 | 16.0 |
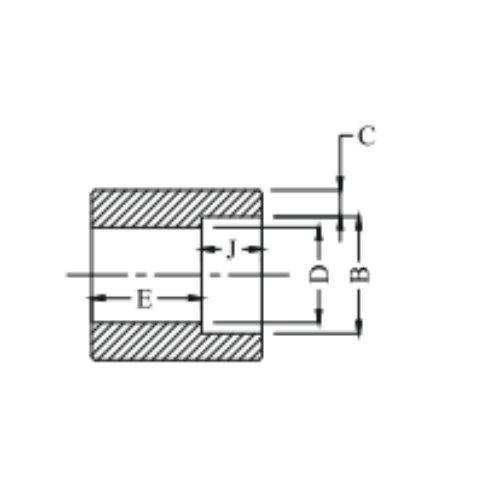
6000# Socket Welded
| Model No. | Nom. Pipe Size | B | C | D | E | J (Min) | |
|---|---|---|---|---|---|---|---|
| (Avg) | (Min) | ||||||
| GV-410-HC-4SW-6000# | 1/4 | 14.2 | 4.60 | 4.01 | 6.4 | 6.5 | 9.5 |
| GV-410-HC-6SW-6000# | 3/8 | 17.6 | 5.03 | 4.37 | 9.2 | 6.5 | 9.5 |
| GV-410-HC-8SW-6000# | 1/2 | 21.8 | 5.97 | 5.18 | 11.8 | 9.5 | 9.5 |
| GV-410-HC-12SW-6000# | 3/4 | 27.2 | 6.96 | 6.04 | 15.6 | 9.5 | 12.5 |
| GV-410-HC-16SW-6000# | 1 | 33.9 | 7.92 | 6.93 | 20.7 | 12.5 | 12.5 |
| GV-410-HC-20SW-6000# | 1-1/4 | 42.7 | 7.92 | 6.93 | 29.5 | 12.5 | 12.5 |
| GV-410-HC-24SW-6000# | 1-1/2 | 48.8 | 8.92 | 7.80 | 34.0 | 12.5 | 12.5 |
| GV-410-HC-32SW-6000# | 2 | 61.2 | 10.92 | 9.50 | 42.9 | 19.0 | 16.0 |
