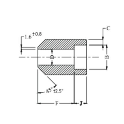
3000# Threaded
| Model No. | Nom. Pipe Size | Length of Threaded (min) | N | Q | M | E | |
|---|---|---|---|---|---|---|---|
| B | L | ||||||
| GV-415-CO-4N-3000# | 1/4 | 8.1 | 10.2 | 17.5 | 9.5 | 30.2 | 23.8 |
| GV-415-CO-6N-3000# | 3/8 | 9.1 | 10.4 | 20.7 | 9.5 | 30.2 | 27.9 |
| GV-415-CO-8N-3000# | 1/2 | 10.9 | 12.3 | 25.9 | 9.5 | 34.9 | 34.1 |
| GV-415-CO-12N-3000# | 3/4 | 12.7 | 13.9 | 27.0 | 9.5 | 34.9 | 38.1 |
| GV-415-CO-16N-3000# | 1" | 14.7 | 17.0 | 33.4 | 9.5 | 39.5 | 46.1 |
| GV-415-CO-20N-3000# | 1-1/4 | 17.0 | 18.0 | 42.9 | 9.5 | 45.6 | 56.5 |
| GV-415-CO-24N-3000# | 1-1/2 | 17.8 | 18.4 | 49.2 | 9.5 | 50.8 | 63.5 |
| GV-415-CO-32N-3000# | 2" | 19.0 | 19.2 | 61.9 | 9.5 | 57.2 | 79.4 |
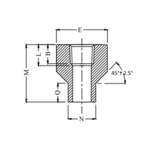
6000# Threaded
| Model No. | Nom. Pipe Size | Length of Threaded (min) | N | Q | M | E | |
|---|---|---|---|---|---|---|---|
| B | L | ||||||
| GV-415-CO-4N-6000# | 1/4 | 8.1 | 10.2 | 17.5 | 9.5 | 30.2 | 25.4 |
| GV-415-CO-6N-6000# | 3/8 | 9.1 | 10.4 | 20.7 | 9.5 | 30.2 | 27.9 |
| GV-415-CO-8N-6000# | 1/2 | 10.9 | 12.3 | 25.9 | 9.5 | 34.9 | 34.1 |
| GV-415-CO-12N-6000# | 3/4 | 12.7 | 13.9 | 27.0 | 9.5 | 34.9 | 38.1 |
| GV-415-CO-16N-6000# | 1" | 14.7 | 17.0 | 33.4 | 9.5 | 39.5 | 46.1 |
| GV-415-CO-20N-6000# | 1-1/4 | 17.0 | 18.0 | 42.9 | 9.5 | 45.6 | 56.5 |
| GV-415-CO-24N-6000# | 1-1/2 | 17.8 | 18.4 | 49.2 | 9.5 | 50.8 | 63.5 |
| GV-415-CO-32N-6000# | 2" | 19.0 | 19.2 | 61.9 | 9.5 | 57.2 | 92.1 |
