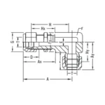
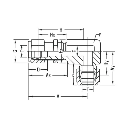
INCH OD Tubes
| Model No. | T Tube OD | A | Ax | Ay | C | D | E min. | F A/F | G A/F | H | Hx | Hy | Panel Hole Drill Size | Max. Panel Thickness |
| GV-21-BE-2 | 1/8 | 43.1 | 31.2 | 22.4 | 15.3 | 12.7 | 2.4 | 11 | 11 | 36.5 | 24.6 | 15.8 | 8.3 | 12.7 |
| GV-21-BE-4 | 1/4 | 48.9 | 33.6 | 26.9 | 17.8 | 15.3 | 4.8 | 16 | 14 | 41.5 | 26.2 | 19.6 | 11.5 | 10.1 |
| GV-21-BE-6 | 3/8 | 54.1 | 36.8 | 30.5 | 19.3 | 16.8 | 7.1 | 22 | 17 | 46.8 | 29.5 | 23.2 | 14.6 | 11.1 |
| GV-21-BE-8 | 1/2 | 63.5 | 41.9 | 36 | 21.8 | 22.9 | 10.4 | 24 | 22 | 53.4 | 31.8 | 25.9 | 19.5 | 12.7 |
| GV-21-BE-12 | 3/4 | 75.3 | 47.5 | 39.9 | 21.8 | 24.4 | 16 | 30 | 29 | 65.2 | 37.4 | 29.7 | 25.8 | 16.8 |
| GV-21-BE-16 | 1 | 91.8 | 57.4 | 49 | 26.4 | 31.2 | 22.3 | 41 | 28 | 79.6 | 45.2 | 36.8 | 33.7 | 19 |
METRIC OD Tubes
| Model No. | T Tube OD | A | Ax | Ay | C | D | E min. | F A/F | G A/F | H | Hx | Hy | Panel Hole Drill Size | Max. Panel Thickness |
| GV-21-BE-8m | 3 | 43 | 31.2 | 22.3 | 15.3 | 12.9 | 2.4 | 14 | 11 | 36.4 | 24.6 | 15.7 | 8.3 | 12.7 |
| GV-21-BE-6m | 6 | 49.3 | 33.6 | 27 | 17.7 | 15.3 | 4.8 | 16 | 14 | 41.9 | 26.2 | 19.6 | 11.5 | 10.2 |
| GV-21-BE-8m | 8 | 52.6 | 36.1 | 28.8 | 18.6 | 16.2 | 6.3 | 17 | 16 | 45.1 | 28.6 | 21.3 | 13.1 | 11.2 |
| GV-21-BE-10m | 10 | 56.2 | 37 | 31.5 | 19.5 | 17.2 | 7.9 | 22 | 19 | 48.6 | 29.4 | 23.9 | 16.3 | 11.2 |
| GV-21-BE-12m | 12 | 63 | 41.9 | 36 | 22 | 22.8 | 9.5 | 24 | 22 | 52.9 | 31.8 | 25.9 | 19.5 | 12.7 |
| GV-21-BE-16m | 16 | 66.5 | 42.6 | 38 | 22 | 24.4 | 12.7 | 27 | 25 | 56.4 | 32.5 | 27.9 | 22.8 | 12.7 |
| GV-21-BE-20m | 22 | 85.1 | 53 | 44.6 | 22 | 26 | 18.3 | 36 | 32 | 75 | 42.9 | 34.5 | 29 | 19 |
| GV-21-BE-25m | 25 | 91.8 | 57.4 | 49.1 | 26.4 | 31.2 | 22.3 | 41 | 38 | 79.6 | 45.2 | 36.8 | 33.7 | 19 |
Note: All dimensions are subject to change without notice
All dimensions are in mm unless specified
