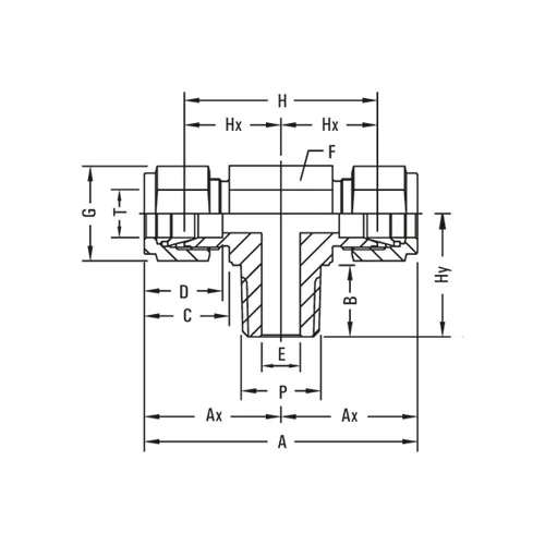
INCH OD Tubes x Male NPT Threads
| Model No. | T Tube OD | P NPT Male | A | Ax | B | C | D | E min. | F A/F | G A/F | H | Hx | Hy |
| GV-23-MBT-2-2N | 1/8 | 1/8 | 47.2 | 23.6 | 9.6 | 15.3 | 12.7 | 2.4 | 11 | 11 | 34 | 17 | 17.8 |
| GV-23-MBT-2-4N | 1/8 | 1/4 | 49.2 | 24.6 | 14.3 | 15.3 | 12.7 | 2.4 | 14 | 11 | 36 | 18 | 23.4 |
| GV-23-MBT-4-2N | 1/4 | 1/8 | 53.8 | 26.9 | 9.6 | 17.8 | 5.3 | 4.8 | 14 | 14 | 39.2 | 19.6 | 18.8 |
| GV-23-MBT-4-4N | 1/4 | 1/4 | 53.8 | 26.9 | 14.3 | 17.8 | 15.3 | 4.8 | 14 | 14 | 39.2 | 19.6 | 23.4 |
| GV-23-MBT-4-6N | 1/4 | 3/8 | 59.4 | 29.7 | 14.3 | 17.8 | 15.3 | 4.8 | 19 | 14 | 44.8 | 22.4 | 26.2 |
| GV-23-MBT-4-8N | 1/4 | 1/2 | 63.6 | 31.8 | 19.1 | 17.8 | 15.3 | 4.8 | 22 | 14 | 44.8 | 24.4 | 33 |
| GV-23-MBT-6-4N | 3/8 | 1/4 | 61 | 30.5 | 14.3 | 19.3 | 16.8 | 7.1 | 17 | 17 | 46.2 | 23.1 | 25.4 |
| GV-23-MBT-6-6N | 3/8 | 3/8 | 62.4 | 31.2 | 14.3 | 19.3 | 16.8 | 7.1 | 19 | 17 | 47.8 | 23.9 | 26.2 |
| GV-23-MBT-6-8N | 3/8 | 1/2 | 66 | 33 | 19.1 | 19.3 | 16.8 | 7.1 | 22 | 17 | 51.8 | 25.9 | 33 |
| GV-23-MBT-8-4N | 1/2 | 1/4 | 72 | 36 | 14.3 | 21.8 | 22.9 | 4.8 | 20.5 | 22 | 51.8 | 25.9 | 28.2 |
| GV-23-MBT-8-6N | 1/2 | 3/8 | 72 | 36 | 14.3 | 21.8 | 22.9 | 9.6 | 20.5 | 22 | 51.8 | 25.9 | 28.2 |
| GV-23-MBT-8-8N | 1/2 | 1/2 | 72 | 36 | 19.1 | 21.8 | 22.9 | 10.4 | 22 | 22 | 51.8 | 25.9 | 33 |
| GV-23-MBT-10-8N | 5/8 | 1/2 | 76.2 | 38.1 | 19.1 | 21.8 | 24.4 | 11.9 | 22 | 25 | 55.8 | 27.9 | 35 |
| GV-23-MBT-12-8N | 3/4 | 1/2 | 79.8 | 39.9 | 19.1 | 21.8 | 24.4 | 11.9 | 27 | 29 | 59.4 | 29.7 | 36.8 |
| GV-23-MBT-12-12N | 3/4 | 3/4 | 79.8 | 39.9 | 19.1 | 21.8 | 24.4 | 15.8 | 27 | 29 | 59.4 | 29.7 | 36.8 |
| GV-23-MBT-16-12N | 1 | 3/4 | 98 | 49 | 19.1 | 26.4 | 31 | 15.8 | 35 | 38 | 73.6 | 36.8 | 41.6 |
| GV-23-MBT-16-16N | 1 | 1 | 98 | 49 | 23.8 | 26.4 | 31 | 22.3 | 35 | 38 | 73.6 | 36.8 | 46.5 |
| GV-23-MBT-20-20N | 1.1/4 | 1.1/4 | 133 | 66.5 | 23.8 | 38.8 | 41.1 | 27.6 | 46 | 50 | 89 | 44.5 | 47.6 |
| GV-23-MBT-24-24N | 1.1/2 | 1.1/2 | 156 | 78 | 26.2 | 45.2 | 50 | 34 | 55 | 57 | 101.6 | 50.8 | 60.4 |
METRIC OD Tubes x Male NPT Threads
| Model No. | T Tube OD | P NPT Male | A | Ax | B | C | D | E min. | F A/F | G A/F | H | Hx | Hy |
| GV-23-MBT-3m-2N | 3 | 1/8 | 47.2 | 23.6 | 9.6 | 15.3 | 12.9 | 2.4 | 11 | 11 | 34 | 17 | 17.8 |
| GV-23-MBT-3m-4N | 3 | 1/4 | 49.2 | 24.6 | 14.3 | 15.3 | 12.9 | 2.4 | 14 | 11 | 36 | 18 | 23.4 |
| GV-23-MBT-6m-2N | 6 | 1/8 | 54 | 27 | 9.6 | 17.7 | 15.3 | 4.8 | 14 | 14 | 39.2 | 19.6 | 18.8 |
| GV-23-MBT-6m-4N | 6 | 1/4 | 54 | 27 | 14.3 | 17.7 | 15.3 | 4.8 | 14 | 14 | 39.2 | 19.6 | 23.4 |
| GV-23-MBT-6m-6N | 6 | 3/8 | 59.6 | 29.8 | 14.3 | 17.7 | 15.3 | 4.8 | 19 | 14 | 44.8 | 22.4 | 26.2 |
| GV-23-MBT-8m-4N | 8 | 1/4 | 57.6 | 28.8 | 14.3 | 18.6 | 16.2 | 6.3 | 14 | 16 | 42.6 | 21.3 | 24.4 |
| GV-23-MBT-8m-6N | 8 | 3/8 | 61.2 | 30.6 | 14.3 | 18.6 | 16.2 | 6.3 | 19 | 16 | 46.2 | 23.1 | 26.2 |
| GV-23-MBT-8m-8N | 8 | 1/2 | 65.2 | 32.6 | 19.1 | 18.6 | 16.2 | 6.3 | 22 | 16 | 50.2 | 25.1 | 33 |
| GV-23-MBT-10m-4N | 10 | 1/4 | 63 | 31.5 | 14.3 | 19.5 | 17.2 | 7.1 | 17 | 19 | 47.8 | 23.9 | 26.2 |
| GV-23-MBT-10m-6N | 10 | 3/8 | 63 | 31.5 | 14.3 | 19.5 | 17.2 | 7.9 | 19 | 19 | 47.8 | 23.9 | 26.2 |
| GV-23-MBT-10m-8N | 10 | 1/2 | 67 | 33.5 | 19.1 | 19.5 | 17.2 | 7.9 | 22 | 19 | 51.8 | 25.9 | 33 |
| GV-23-MBT-12m-4N | 12 | 1/4 | 72 | 36 | 14.3 | 22 | 22.8 | 7.1 | 20.5 | 22 | 51.8 | 25.9 | 26.2 |
| GV-23-MBT-12m-6N | 12 | 3/8 | 72 | 36 | 14.3 | 22 | 22.8 | 9.5 | 20.5 | 22 | 51.8 | 25.9 | 28.2 |
| GV-23-MBT-12m-8N | 12 | 1/2 | 72 | 36 | 19.1 | 22 | 22.8 | 9.5 | 22 | 22 | 51.8 | 25.9 | 33 |
| GV-23-MBT-16m-8N | 16 | 1/2 | 76 | 38 | 19.1 | 22 | 24 | 11.9 | 24 | 25 | 55.8 | 27.9 | 35.1 |
| GV-23-MBT-25m-12N | 25 | 3/4 | 98.2 | 49.1 | 19.1 | 26.5 | 31.3 | 15.8 | 35 | 38 | 73.6 | 36.8 | 41.7 |
| GV-23-MBT-25m-16N | 25 | 1 | 98.2 | 49.1 | 23.8 | 26.5 | 31.3 | 21.8 | 35 | 38 | 73.6 | 36.8 | 46.5 |
| GV-23-MBT-30m-20N | 30 | 1.1/4 | 139.8 | 66.9 | 23.8 | 39.2 | 39.6 | 26.2 | 45 | 50 | 96.6 | 48.3 | 53.1 |
| GV-23-MBT-32m-20N | 32 | 1.1/4 | 144.6 | 72.3 | 23.8 | 41.6 | 42 | 27.6 | 45 | 50 | 98.6 | 49.3 | 53.1 |
| GV-23-MBT-38m-24N | 38 | 1.1/2 | 168 | 84 | 26.2 | 47.9 | 50 | 33.7 | 55 | 57 | 112.8 | 56.4 | 60.4 |
Note: All dimensions are subject to change without notice
All dimensions are in mm unless specified
