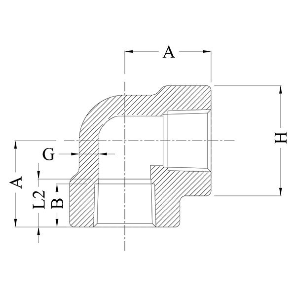
3000# Threaded
| MODEL NO. | NOM. PIPE SIZE | LENGTH OF THREADED (MIN) | A | G MIN | H | |
|---|---|---|---|---|---|---|
| B | L2 | |||||
| GV-401-EL-4N-3000# | 1/4 | 8.1 | 10.2 | 25.0 | 3.30 | 25.0 |
| GV-401-EL-6N-3000# | 3/8 | 9.1 | 10.4 | 28.0 | 3.51 | 33.0 |
| GV-401-EL-8N-3000# | 1/2 | 10.9 | 13.6 | 33.0 | 4.09 | 38.0 |
| GV-401-EL-12N-3000# | 3/4 | 12.7 | 13.9 | 38.0 | 4.32 | 46.0 |
| GV-401-EL-16N-3000# | 1 | 14.7 | 17.3 | 44.0 | 4.98 | 56.0 |
| GV-401-EL-20N-3000# | 1-1/4 | 17.0 | 18.0 | 51.0 | 5.28 | 62.0 |
| GV-401-EL-24N-3000# | 1-1/2 | 17.8 | 18.4 | 60.0 | 5.56 | 75.0 |
| GV-401-EL-32N-3000# | 2 | 19.0 | 19.2 | 64.0 | 7.14 | 84.0 |
6000# Threaded
| MODEL NO. | NOM. PIPE SIZE | LENGTH OF THREADED (MIN) | A | G MIN | H | |
|---|---|---|---|---|---|---|
| B | L2 | |||||
| GV-401-EL-4N-6000# | 1/4 | 8.1 | 10.2 | 28.0 | 6.60 | 33.0 |
| GV-401-EL-6N-6000# | 3/8 | 9.1 | 10.4 | 33.0 | 6.98 | 38.0 |
| GV-401-EL-8N-6000# | 1/2 | 10.9 | 13.6 | 38.0 | 8.15 | 46.0 |
| GV-401-EL-12N-6000# | 3/4 | 12.7 | 13.9 | 44.0 | 8.53 | 56.0 |
| GV-401-EL-16N-6000# | 1 | 14.7 | 17.3 | 51.0 | 9.93 | 62.0 |
| GV-401-EL-20N-6000# | 1-1/4 | 17.0 | 18.0 | 60.0 | 10.59 | 75.0 |
| GV-401-EL-24N-6000# | 1-1/2 | 17.8 | 18.4 | 64.0 | 11.07 | 84.0 |
| GV-401-EL-32N-6000# | 2 | 19.0 | 19.2 | 83.0 | 12.09 | 102.0 |
