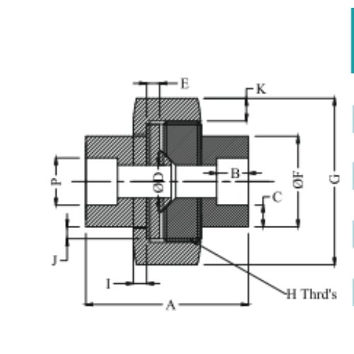
3000#
| Model No. | Nom. Pipe Size | A | B | C Min | ØD Min | E Min | ØF A/F | G A/F | H | I Min | J Min | K Min |
|---|---|---|---|---|---|---|---|---|---|---|---|---|
| GV-418-3PC-U-4SW-3000# | 1/4" | 42.0 | 9.7 | 6.1 | 10.0 | 3.7 | 26.5 | 40.5 | Ø32 X 2 | 3.6 | 1.65 | 4.0 |
| GV-418-3PC-U-6SW-3000# | 3/8" | 47.0 | 9.7 | 4.35 | 14.0 | 3.7 | 26.5 | 40.5 | Ø32 X 2 | 3.6 | 1.65 | 4.0 |
| GV-418-3PC-U-8SW-3000# | 1/2" | 49.7 | 9.7 | 4.0 | 17.0 | 4.0 | 30.0 | 47.0 | Ø37 X 2 | 4.0 | 1.65 | 4.5 |
| GV-418-3PC-U-12SW-3000# | 3/4" | 57.2 | 12.7 | 4.4 | 21.6 | 4.7 | 36.0 | 55.0 | Ø44.5 X 2 | 4.5 | 2.0 | 5.0 |
| GV-418-3PC-U-16SW-3000# | 1" | 62.0 | 12.7 | 5.7 | 28.0 | 4.5 | 45.4 | 65.0 | Ø53.5 X 2 | 4.5 | 2.25 | 5.3 |
| GV-418-3PC-U-20SW-3000# | 1¼” | 72.0 | 12.7 | 5.8 | 35.7 | 4.5 | 54.5 | 75.6 | Ø64.0 X 2 | 5.5 | 2.75 | 5.4 |
| GV-418-3PC-U-24SW-3000# | 1½” | 76.8 | 12.5 | 6.4 | 41.0 | 6.2 | 61.6 | 83.0 | Ø71.0 X 2 | 6.0 | 2.85 | 5.5 |
| GV-418-3PC-U-32SW-3000# | 2" | 87.5 | 15.5 | 7.2 | 52.5 | 7.20 | 75.5 | 101.2 | Ø86.0 X 2 | 8.0 | 3.20 | 6.8 |
6000#
| Model No. | Nom. Pipe Size | A | B | C Min | ØD Min | E Min | ØF A/F | G A/F | H | I Min | J Min | K Min |
|---|---|---|---|---|---|---|---|---|---|---|---|---|
| GV-418-3PC-U-4SW-6000# | 1/4" | 49.7 | 9.7 | 6.0 | 14.0 | 4.0 | 30.0 | 47.0 | Ø37 X 2 | 4.0 | 1.65 | 4.5 |
| GV-418-3PC-U-6SW-6000# | 3/8" | 49.7 | 9.7 | 6.0 | 14.0 | 4.0 | 30.0 | 47.0 | Ø37 X 2 | 4.0 | 1.65 | 4.5 |
| GV-418-3PC-U-8SW-6000# | 1/2" | 57.2 | 12.7 | 7.0 | 17.0 | 4.7 | 36.0 | 55.0 | Ø44.5 X 2 | 4.5 | 2.0 | 5.0 |
| GV-418-3PC-U-12SW-6000# | 3/4" | 62.0 | 12.7 | 9.0 | 21.6 | 4.5 | 45.4 | 65.0 | Ø53.5 X 2 | 4.5 | 2.25 | 5.3 |
| GV-418-3PC-U-16SW-6000# | 1" | 72.0 | 12.7 | 10.0 | 28.0 | 4.5 | 54.5 | 75.6 | Ø64.0 X 2 | 5.5 | 2.75 | 5.4 |
| GV-418-3PC-U-20SW-6000# | 1¼” | 76.8 | 12.5 | 9.4 | 35.7 | 6.2 | 61.6 | 83.0 | Ø71.0 X 2 | 6.0 | 2.85 | 5.5 |
| GV-418-3PC-U-24SW-6000# | 1½” | 87.5 | 15.5 | 13.4 | 41.0 | 7.20 | 75.5 | 101.2 | Ø86.0 X 2 | 8.0 | 3.20 | 6.8 |
| GV-418-3PC-U-32SW-6000# | 2" | - | - | - | - | - | - | - | - | - | - | - |
