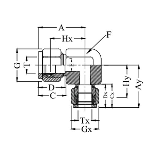
INCH OD Tubes
| Model No. | T Tube OD | Tx Tube OD | Ax | Ay | C | Cx | D | Dx | E min | F A/F | G A/F | Gx A/F | Hx | Hy |
| GV-46-RUE-6/4 | 3/8 | 1/4 | 30.5 | 29.0 | 18.5 | 17.8 | 16.8 | 15.3 | 4.5 | 15.5 | 17 | 14 | 23.1 | 21.6 |
| GV-46-RUE-8/4 | 1/2 | 1/4 | 36.0 | 31.8 | 21.8 | 17.8 | 22.9 | 15.3 | 4.5 | 20.5 | 22 | 14 | 25.9 | 24.4 |
| GV-46-RUE-8/6 | 1/2 | 3/8 | 36.0 | 33.3 | 21.8 | 18.5 | 22.9 | 16.8 | 7.0 | 20.5 | 22 | 17 | 25.9 | 25.9 |
| GV-46-RUE-12/6 | 3/4 | 3/8 | 39.9 | 37.0 | 21.8 | 19.0 | 24.4 | 16.8 | 7.0 | 27 | 28.5 | 17 | 29.7 | 29.7 |
| GV-46-RUE-12/8 | 3/4 | 1/2 | 39.9 | 39.9 | 21.8 | 21.8 | 24.4 | 22.9 | 10.5 | 27 | 28.5 | 22 | 29.7 | 29.7 |
| GV-46-RUE-16/6 | 1 | 3/8 | 49.0 | 41.9 | 26.4 | 18.5 | 31.2 | 16.8 | 7.0 | 36 | 38 | 17 | 36.8 | 34.5 |
| GV-46-RUE-16/8 | 1 | 1/2 | 49.0 | 44.7 | 26.4 | 22.9 | 31.2 | 21.8 | 10.5 | 36 | 38 | 22 | 36.8 | 34.5 |
| GV-46-RUE-16/12 | 1 | 3/4 | 49.0 | 44.7 | 26.4 | 24.4 | 31.2 | 24.4 | 16.0 | 36 | 38 | 28.5 | 36.8 | 34.5 |
| GV-46-RUE-20/16 | 1 | 1.1/4 | 67.8 | 55.1 | 38.9 | 26.4 | 41.2 | 31.2 | 22.0 | 46 | 50 | 38 | 45.7 | 42.9 |
| GV-46-RUE-24/16 | 1 | 1.1/2 | 78.7 | 60.0 | 44.7 | 26.4 | 50.0 | 31.2 | 22.0 | 55 | 57 | 38 | 51.6 | 47.8 |
