Key Block GV-134-MKB-DBB Double Block & Bleed
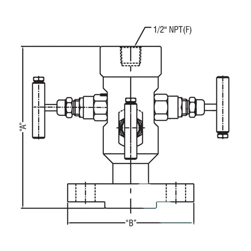
The GV-134-MKB-DBB features two independently operable 5.0mm bore globe style needle valves for isolation service with an intermediate 5.0mm bore globe style needle valve for venting service. Metal seating features as standard for all valves.
The are integrally forged one piece block & bleed assemblies for primary isolation of pressure take-offs, where the valve is directly mounted to the vessel or process pipe. Instruments may be directly mounted to the valves outlet or alternatively remotely mounted with gauge line / impulse pipe line.
STANDARD FEATURES
- 1/2 – inch NPT threaded female outlet as standard to ANSI / ASME B1.20.1.
- 1/2 – inch NPT threaded female vent connection to ANSI / ASME B1.20.1.
- Material thickness to ANSI B16.34.
- ANSI B16.5 flanged inlet connection 1/2″ to 2″ sizes 150 lbs rated to 2500 lbs rated.
- API flanged inlet connections Size to 21/16″. 3000psig, 5000psig & 10000psig rated.
APPLICATIONS
- Double Block & Bleed
- Level Measurement
- Pressure Measurement
- Chemical Injection
- Sampling
- Flow Measurement
(OS &Y) and Globe Style Needle Valve Gland packing Materials Standard Valves are offered with Graphite. PTFE is also available as an option
