FEATURES
Maximum working pressure:
6000 psi (414bar) at 100°F (38°C)
Working temperature:
-65°F (-54°C) to 464°F (240°C)
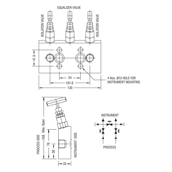
Diversity of configuration for application to
differential pressure, level and transmitters.
color caps to identify valve function.
100% factory tested.
Heat code traceability.
Material : A479 304, A479 316, A182 GRF 316
Finish: SS Natural, Shot Blast, Zinc Plated
Description
Specification
Description
| Part No. | Part Description | Material | Qty. |
| 1 | Body | SS 316 | 1 |
| 2 | Gland Body | SS 316 | 2 |
| 3 | Gland Retainer | SS 304 | 2 |
| 4 | Check Nut | SS 304 | 2 |
| 5 | Spindle | SS 316 | 2 |
| 6 | Gland Packing | P.T.F.E | 4 |
| 7 | Gland Ring | SS 304 | 2 |
| 8 | Gland Washer | SS 304 | 2 |
| 9 | Trim | SS 316 | 2 |
| 10 | Dust Cap | Rubber | 2 |
| 11 | Handle | SS 304 | 2 |
| 12 | Grub Screw | SS | 2 |
| 13 | Lock Pin | SS 304 | 2 |
Note: 1.
Packing is optional with graphite for high temperature to 450℃
