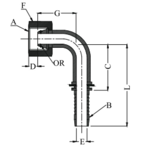
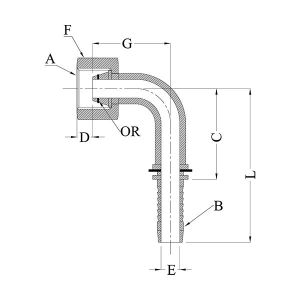
| Model No. | METRIC (F) | HOSE | C | D | øE | F A/F | G | L | O Ring |
|---|---|---|---|---|---|---|---|---|---|
| GV-366-EL-M12-4H-OR | M12X1.5 | 1/4" | 26.0 | 5.1 | 4.0 | 17.0 | 32.0 | 54.0 | 4X1.5 |
| GV-366-EL-M14-4H-OR | M14X1.5 | 1/4" | 26.0 | 0.3 | 4.0 | 17.0 | 32.0 | 54.0 | 6X1.5 |
| GV-366-EL-M16-4H-OR | M16X1.5 | 1/4" | 26.0 | 0.8 | 4.0 | 19.0 | 32.0 | 54.0 | 7.5X1.5 |
| GV-366-EL-M16-6H-OR | M16X1.5 | 3/8" | 35.0 | 5.4 | 7.0 | 19.0 | 41.5 | 64.5 | 7.5X1.5 |
| GV-366-EL-M18-6H-OR | M18X1.5 | 3/8" | 35.5 | 0.8 | 7.0 | 22.0 | 41.0 | 65.3 | 9X1.5 |
| GV-366-EL-M22-8H-OR | M22X1.5 | 1/2" | 45.3 | 1.8 | 9.5 | 27.0 | 45.0 | 76.5 | 12X2 |
| GV-366-EL-M30-8H-OR | M30X2.0 | 3/4" | 58.8 | 2.3 | 15.0 | 36.0 | 59.0 | 98.0 | 20X2 |
| GV-366-EL-M36-12H-OR | M36X2.0 | 1" | 78.3 | 2.4 | 19.5 | 41.0 | 69.0 | 125.0 | 26X2 |
| GV-366-EL-M45-12H-OR | M45X2.0 | 1-1/4" | 97.3 | 2.6 | 26.0 | 50.0 | 89.0 | 151.8 | 323X2.5 |
| GV-366-EL-M52-16H-OR | M52X2.0 | 1-1/2" | 117.0 | 4.7 | 32.0 | 60.0 | 107.0 | 175.0 | 38X2.5 |
Specification
