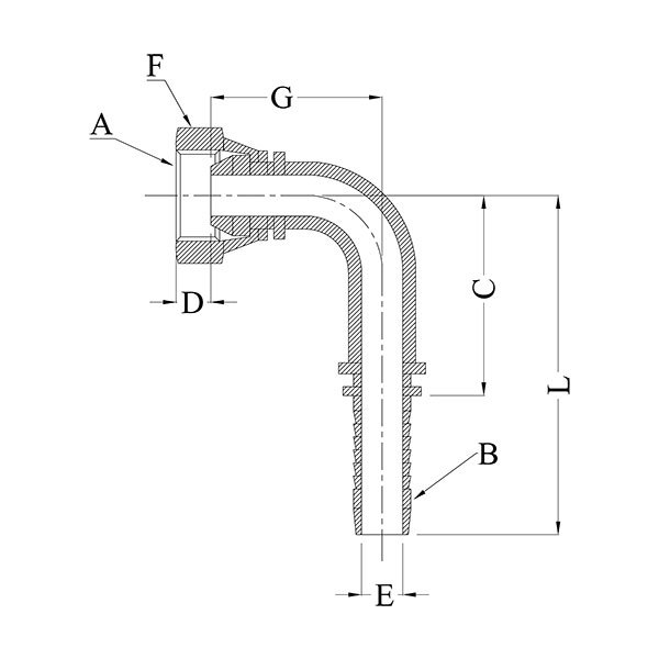
| Model No. | BSP (F) | HOSE | C | D | øE | FA/F | G | L |
|---|---|---|---|---|---|---|---|---|
| GV-353-EL-2B-4H | 1/8" | 1/4" | 27.0 | 4.7 | 4.0 | 14.0 | 27.0 | 55.0 |
| GV-353-EL-4B-4H | 1/4" | 1/4" | 27.0 | 5.5 | 4.0 | 19.0 | 28.0 | 55.0 |
| GV-353-EL-6B-4H | 3/8" | 1/4" | 27.0 | 6.3 | 4.0 | 22.0 | 30.0 | 55.0 |
| GV-353-EL-6B-6H | 3/8" | 3/8" | 36.0 | 6.3 | 7.0 | 22.0 | 37.5 | 66.0 |
| GV-353-EL-8B-6H | 1/2" | 3/8" | 36.0 | 6.8 | 7.0 | 27.0 | 40.5 | 66.0 |
| GV-353-EL-8B-8H | 1/2" | 1/2" | 48.0 | 6.8 | 9.5 | 27.0 | 46.0 | 78.0 |
| GV-353-EL-12B-8H | 3/4" | 1/2" | 48.0 | 8.7 | 9.5 | 32.0 | 49.0 | 78.0 |
| GV-353-EL-12B-12H | 3/4" | 3/4" | 56.3 | 8.7 | 15.0 | 32.0 | 58.0 | 96.0 |
| GV-353-EL-16B-12H | 1" | 3/4" | 56.3 | 10.8 | 15.0 | 38.0 | 59.0 | 96.0 |
| GV-353-EL-16B-16H | 1" | 1" | 78.0 | 10.8 | 19.5 | 38.0 | 67.7 | 125.0 |
| GV-353-EL-20B-20H | 1-1/4" | 1-1/4" | 95.5 | 10.1 | 26.0 | 50.0 | 90.0 | 150.0 |
| GV-353-EL-24B-24H | 1-1/2" | 1-1/2" | 117.0 | 12.5 | 32.0 | 55.0 | 104.5 | 175.0 |
| GV-353-EL-32B-32H | 2" | 2" | 142.3 | 16.1 | 42.0 | 70.0 | 142.5 | 215.0 |
Specification
