FEATURES
- Maximum working pressure:
6000 psi (414 bar) at 100°F (38°C) - Working temperature:
Up to 212°F to (100°C) with Delrin packing
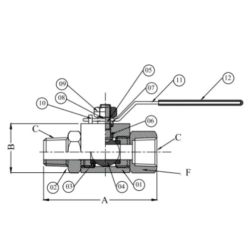
Up to 842°F to (450°C) with PEEK packing - Stainless steel handle covered with PVC gives quarter turn rustfree operation.
- Valves with Delrin seats are supplied with sleeves on handles.
- A robust pin is to create a positive stop.
- The stem with shoulder provides blowout proof design to
maintain seal integrity at all pressure. - Optional sour gas service conforms to NACE MR0175.
- Ball valves are hydrostatic tested at the full rated pressure and
low pressure pneumatic at 70 psi. - 100% factory tested
- Material: SS304L/SS316L, Monel, Hastelloy, Inconel & Duplex
- Material Traceability
